1 范圍
本標準規定了自緊鉆夾頭精度和檢驗方法。
本標準適用于錐孔和螺紋孔連接的自緊鉆夾頭。
2 引用標準
下列標準所包含的條文,通過在本標準中引用而構成為本標準的條文。本標準出版時,所示版本均
為有效。所有標準都會被修訂,使用本標準的各方應探討使用下列標準最新版本的可能性。
GB/T 197—1981 普通螺紋 公差與配合(直徑1~355 mm)
GB/T 6090—1993 鉆夾頭圓錐
GB/T 17421.1—1998 機床檢驗通則 第1 部分:在無負荷或精加工條件下機床的幾何精度
3 檢驗用芯軸
3. 1 檢驗型式Ⅰ鉆夾頭用芯軸要求見圖1。

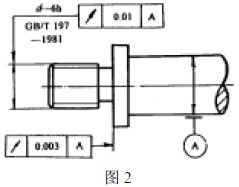
3. 2 檢驗型式Ⅱ鉆夾頭用芯軸要求見圖2。

4 幾何精度檢驗
幾何精度檢驗按表1 進行。
序號 |
簡 圖 |
檢驗項目 |
允 差 mm |
檢驗工具 |
檢 驗 方 法 參照GB/T 17421.1—1998 的有關條文 |
G1 |

|
檢驗棒的 徑向跳動 |
最大 夾持 直徑 |
型式Ⅰ |
型 式 Ⅱ |
檢驗夾具 檢驗芯軸 指 示 器 檢 驗 棒 |
5.6.1.2.3 以鉆夾頭的錐孔或螺紋孔及端面定位,裝在檢驗芯軸上,芯軸放在檢驗夾具上,鉆夾頭夾緊檢驗棒,指示器測頭觸及檢驗 棒上母線,旋轉芯軸檢驗。指示器最大的讀數差值用大小檢驗棒檢驗,均應符合允差規定 |
M |
P |
D |
|
4 |
0.05 |
0.08 |
|
0.16 |
|
|
6~3 |
0.06 |
0.12 |
0.16 |
0.20 |
16 |
0.07 |
0.14 |
0.20 |
0.24 |
G2G2 |

|
外套的徑 向跳動(型 式Ⅱ不檢) |
最大 型式Ⅰ 夾持 直徑 |
型式Ⅰ |
檢驗夾具 檢驗芯軸 指 示 器 |
5.6.1.2.2 以鉆夾頭錐孔定位, 裝在檢驗芯軸上,芯軸放在檢驗夾具上,指示器測頭觸及外套前端外圓上,旋轉芯軸檢驗。指示器讀數的最大差值,就是外套的徑向跳動 |
M |
F |
4 |
0.10 |
0.12 |
6~13 |
0.12 |
0.15 |
16 |
0.15 |
0.20 |
注 1 M級、P 級為機床用,D 級及型式Ⅱ為電動工具用。 2 表1 所列精度檢驗順序, 并不表示實際檢驗順序,為了檢驗方便, 可按任意順序進行檢驗。 |
5 檢驗棒
5. 1 檢驗棒由兩端頂尖孔支承旋轉檢查,圓柱面的徑向
全跳動誤差不得大于0.01 mm。
5. 2 檢驗直徑d 及檢驗長度l 應符合表2 的規定。
表 2
鉆夾頭最大夾持直徑 |
4 |
6 |
8 |
10 13 |
16 |
檢驗棒 d×l |
大棒 |
4×45 |
6×65 8×80 |
8×80 |
10×95 13×105 16×110 |
16×110 |
小 棒 |
— |
4× 45 |
4×45 |
5×60 6× 65 8×80 |
8×80 |